Published:2011/7/28 17:45:00 Author:Robert | Keyword: Modifying, Tianpeng, Power Amplifier | From:SeekIC

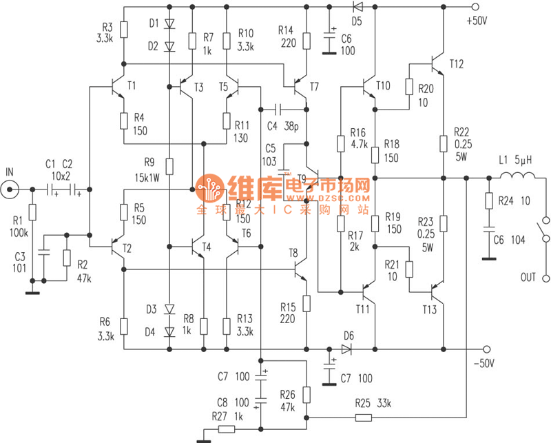
Openning its case, the resistances are all five-ring metal films, dozens of red CBB small capacitors are high-quality. And the key places even use the sanyo 105℃ electrolytic capacitor. The coupling capacitors are two ELNA no-polarity series normal products. The audio source switch uses the long-axis switch. The kara OK chip uses the Japanese Mitsubishi company's M50195P. The large-power output tube is Toshiba company's 2SC3280 and 2SA1301. When modifying the machine later it alse find that all triodes and resistances have been strictly paired. The back board has two groups of output ports which could connect to a couple of speakers at the same time. It can uses the a switch on front board for AB contrast audition. The Kara OK and the tone stage all have the switchs. When they are not used they could be closed to avoid the bad effects on the sound quality, which is very practical.
Reprinted Url Of This Article:
http://www.seekic.com/circuit_diagram/Amplifier_Circuit/Other_circuit/Little_Modifying_Tianpeng_AP_321_Power_Amplifier_Circuit.html
Print this Page | Comments | Reading(3)
Code: