Published:2011/5/17 5:44:00 Author:Robert | Keyword: Low Noise, 20MHz, Wideband, Amplification | From:SeekIC

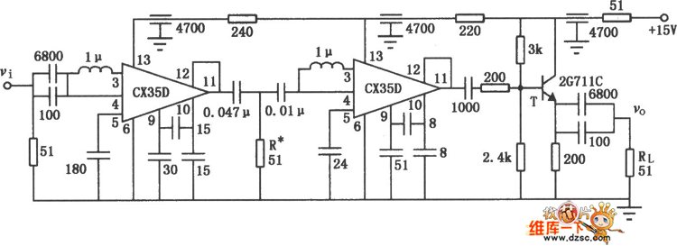
The Low Noise 20MHz Wideband Amplification Circuit is shown in the picture in the picture. This wideband amplification is made up by two CX35D, and its main technical specifications is: bandwidth 10~200MHz; when RL=500Ω the voltage gain is Av>=80; the undistorted output is Vo>=500mV, andthe short noise is less than 40uV for the equivalent toinput port.
Reprinted Url Of This Article:
http://www.seekic.com/circuit_diagram/Amplifier_Circuit/Other_circuit/Low_Noise_20MHz_Wideband_Amplification_Circuit.html
Print this Page | Comments | Reading(3)
Code: