Published:2011/5/3 5:36:00 Author:Felicity | Keyword: Internal Circuit, | From:SeekIC

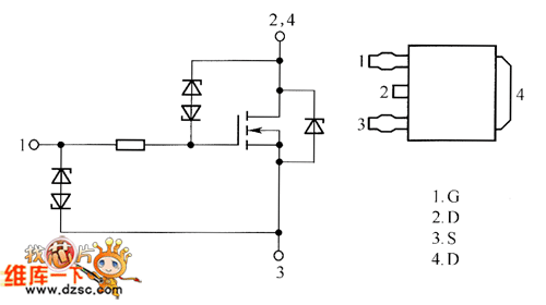
The picture above shows the NID9N05CL Internal Circuit.
Reprinted Url Of This Article:
http://www.seekic.com/circuit_diagram/Amplifier_Circuit/Other_circuit/NID9N05CL_Internal_Circuit.html
Print this Page | Comments | Reading(3)
Code: