Published:2011/7/19 10:01:00 Author:Robert | Keyword: Practical, Gain, Programmable, Isolation, Amplifier | From:SeekIC

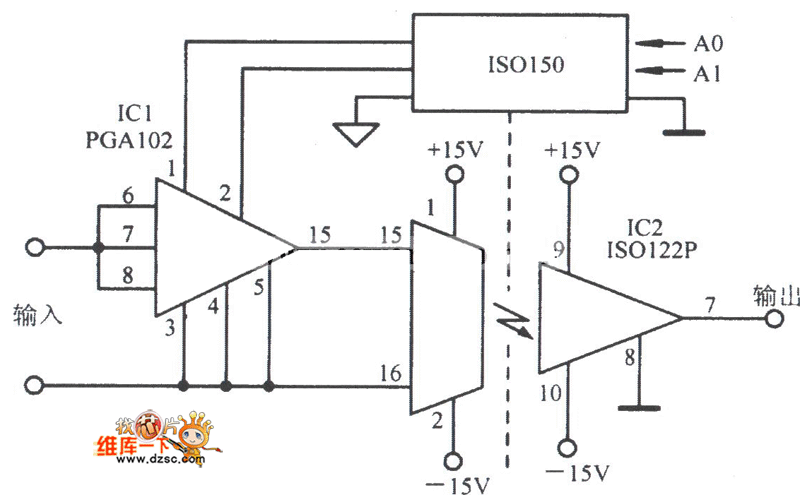
The picture shows the practical gain programmable isolation amplifier circuit.
Reprinted Url Of This Article:
http://www.seekic.com/circuit_diagram/Amplifier_Circuit/Other_circuit/Practical_Gain_Programmable_Isolation_Amplifier_Circuit.html
Print this Page | Comments | Reading(3)
Code: