Published:2011/7/18 19:40:00 Author:Robert | Keyword: Precise, Operational, Amplification, Noise | From:SeekIC


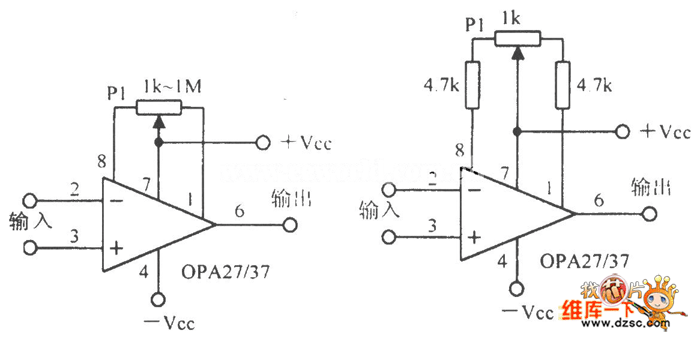
The pictures show the precise operational amplification circuit with extreme low noise.
Reprinted Url Of This Article:
http://www.seekic.com/circuit_diagram/Amplifier_Circuit/Other_circuit/Precise_Operational_Amplification_Circuit_With_Extreme_Low_Noise.html
Print this Page | Comments | Reading(3)
Code: