Published:2011/5/16 22:27:00 Author:Robert | Keyword: Resistance, Bridge, Amplificatio | From:SeekIC

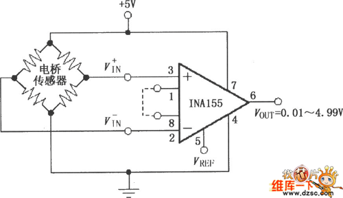
The Resistance Bridge Amplification Circuit Composed Of INA155 is shown in the picture below.
Reprinted Url Of This Article:
http://www.seekic.com/circuit_diagram/Amplifier_Circuit/Other_circuit/Resistance_Bridge_Amplification_Circuit_Composed_Of_INA155.html
Print this Page | Comments | Reading(3)
Code: