Published:2011/3/22 3:46:00 Author:may | Keyword: serviceable, battery buffer amplifier | From:SeekIC

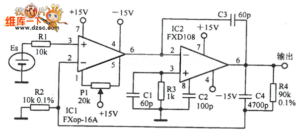
Serviceable Battery Buffer Amplifier Circuit is shown in the following picture:
Reprinted Url Of This Article:
http://www.seekic.com/circuit_diagram/Amplifier_Circuit/Other_circuit/Serviceable_Battery_Buffer_Amplifier_Circuit.html
Print this Page | Comments | Reading(3)
Code: