Published:2011/7/18 10:17:00 Author:Robert | Keyword: Simple, Shortwave, Signal, Amplification | From:SeekIC

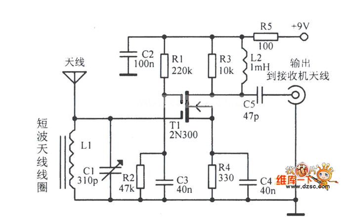
The picture shows the simple shortwave signal amplification circuit.
Reprinted Url Of This Article:
http://www.seekic.com/circuit_diagram/Amplifier_Circuit/Other_circuit/Simple_Shortwave_Signal_Amplification_Circuit.html
Print this Page | Comments | Reading(3)
Code: