Published:2011/7/15 21:52:00 Author:Ariel Wang | Keyword: The circuit of ICS1523s typical application | From:SeekIC

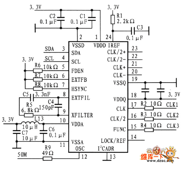
The circuit of ICS1523's typical application is as the chart below.The circuit is monitor controller of SID13806 type.It provides synchronous video signals.The signals are needed when SID13806 connects LCD.ICS1523 inputs 50 MHz (pin 12) .It outputs CLK1(pin 25).CLK2(12.5MHz) and CLK3(387.6kHz) are connected to S1D13806's BUSCLKA (pin 60),CLK1(pin 66),CLK12(PIN 64) and CLK13(pin).
Reprinted Url Of This Article:
http://www.seekic.com/circuit_diagram/Amplifier_Circuit/Other_circuit/The_circuit_of_ICS1523_typical_application.html
Print this Page | Comments | Reading(3)
Code: