Published:2011/7/19 11:22:00 Author:Michel | Keyword: Time, Acousto-opticReminding Circuit | From:SeekIC

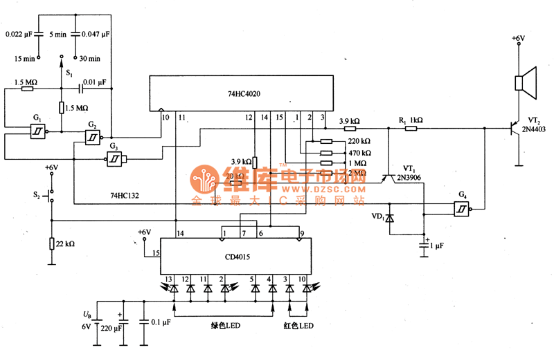
Picutre 1 is time to acousto-optic reminding circuit.In the circuit,74 HC4020 is 14 counter; CD4015 is eight shift register and S2 is reduction switch.When it instantly closes, 74 HC4020 and CD4O15 also reset and the G1 and C2 may constitute a time interval oscillator. S1 is selected switch and it can choose 5 min, 15 min and 30 min.The cirucit gives sound and light alarm signal when time is up.
Picture 1:Time to Acousto-optic Reminding Circuit
Reprinted Url Of This Article:
http://www.seekic.com/circuit_diagram/Amplifier_Circuit/Other_circuit/Time_to__Acousto_optic_Reminding_Circuit.html
Print this Page | Comments | Reading(3)
Code: