Published:2011/4/23 0:14:00 Author:Robert | Keyword: Two Single-Ended Output, Differential Amplifier | From:SeekIC

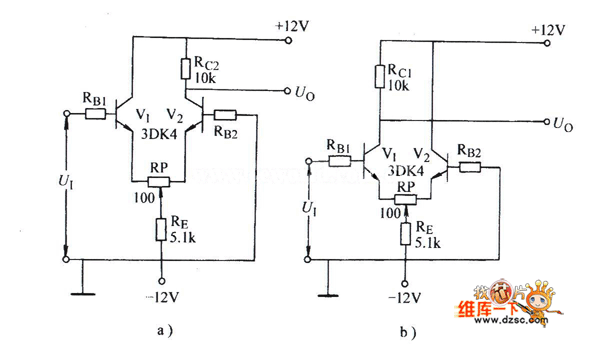
Two Single-Ended Output Differential Amplifier Circuit is shown below:
Reprinted Url Of This Article:
http://www.seekic.com/circuit_diagram/Amplifier_Circuit/Other_circuit/Two_Single_Ended_Output_Differential_Amplifier_Circuit.html
Print this Page | Comments | Reading(3)
Code: