Published:2011/5/17 7:10:00 Author:Robert | Keyword: Wideband, Operational Amplifier | From:SeekIC

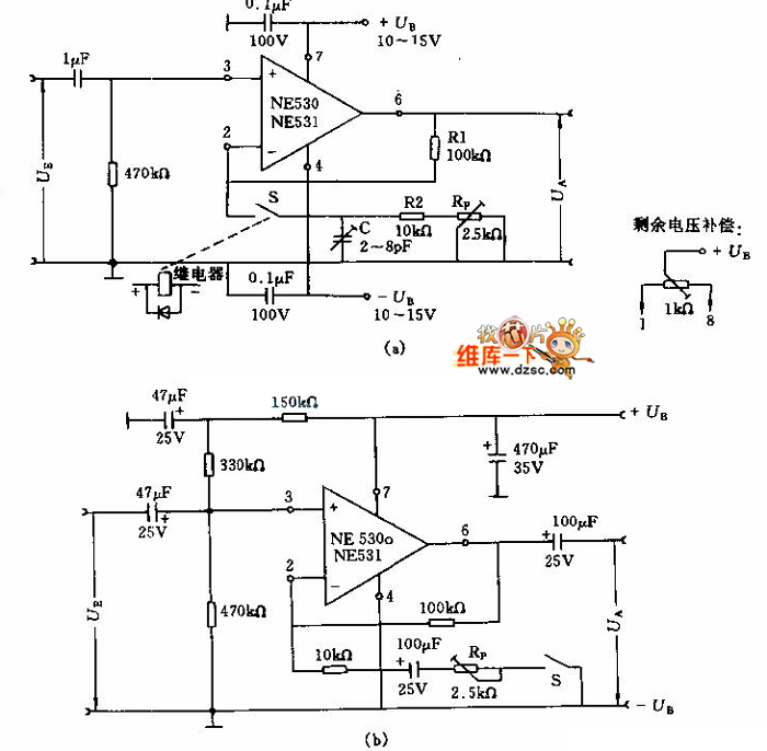
The Wideband Operational Amplifier Circuit is shown below.
Reprinted Url Of This Article:
http://www.seekic.com/circuit_diagram/Amplifier_Circuit/Other_circuit/Wideband_Operational_Amplifier_Circuit.html
Print this Page | Comments | Reading(3)
Code: