Published:2009/6/19 1:37:00 Author:May | From:SeekIC

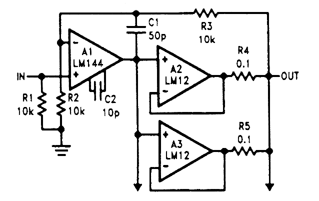
The power amplifiers, A2 and A3, are wired as followers and connected in parallel with the outputs coupled through equalization resistors.
Reprinted Url Of This Article:
http://www.seekic.com/circuit_diagram/Amplifier_Circuit/PARALLEL_POWER_op_AMPS.html
Print this Page | Comments | Reading(3)
Code: