Published:2011/4/11 3:46:00 Author:Rebekka | Keyword: MCU interface circuit | From:SeekIC

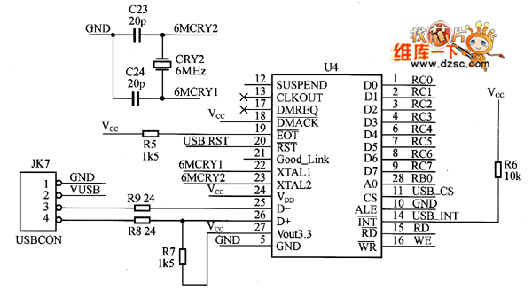
PDIUSBD12 and PlCl6F877 MCU interface circuit diagram is shown as below.
Reprinted Url Of This Article:
http://www.seekic.com/circuit_diagram/Amplifier_Circuit/PDIUSBD12_and_PlCl6F877_MCU_interface_circuit_diagram.html
Print this Page | Comments | Reading(3)
Code: