Published:2009/7/9 2:00:00 Author:May | From:SeekIC

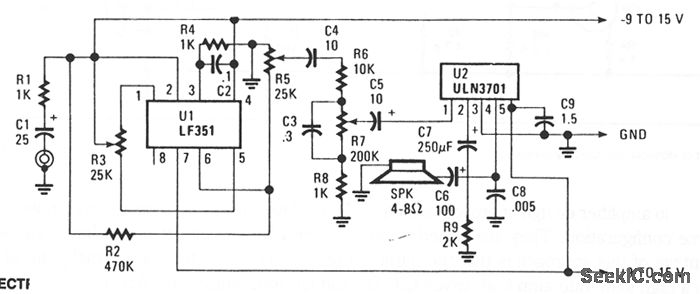
U1, an FET op amp needs a bipolar voltage at pins 4 and 7 with a common ground for optimum gain.You can calculate the gain by dividing R2 by R1. Zero-set balance can be had through pins 1 and 5 through R3. Put a voltmeter between pin 6 and ground and adjust R3 for zero voltage. Once you've established that, you can measure the ohmic resistance at each side of R3's center tap and replace the potentiometer with fixed resistors. R6, R7, RS,and C3 form a tone control that will give you added bass boost, if needed.
Reprinted Url Of This Article:
http://www.seekic.com/circuit_diagram/Amplifier_Circuit/PORTABLE_AMPLIFIER.html
Print this Page | Comments | Reading(3)
Code: