Published:2009/7/1 23:58:00 Author:May | From:SeekIC

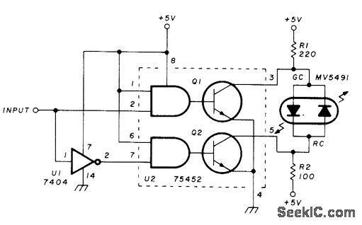
High or positive input to circuit gives green indication in Monsanto MV5491 dual red/green LED, and low input gives red. Circuit uses single SN75452 IC INPUT driver and one section of SN7404 hex nverter.-K. Powell, Novel Indicator Circuit,Ham Radio, April 1977, p 60-63.
Reprinted Url Of This Article:
http://www.seekic.com/circuit_diagram/Amplifier_Circuit/POSITIVE_INPUT_GIVES_GREEN.html
Print this Page | Comments | Reading(3)
Code: