Published:2009/7/6 6:35:00 Author:May | From:SeekIC

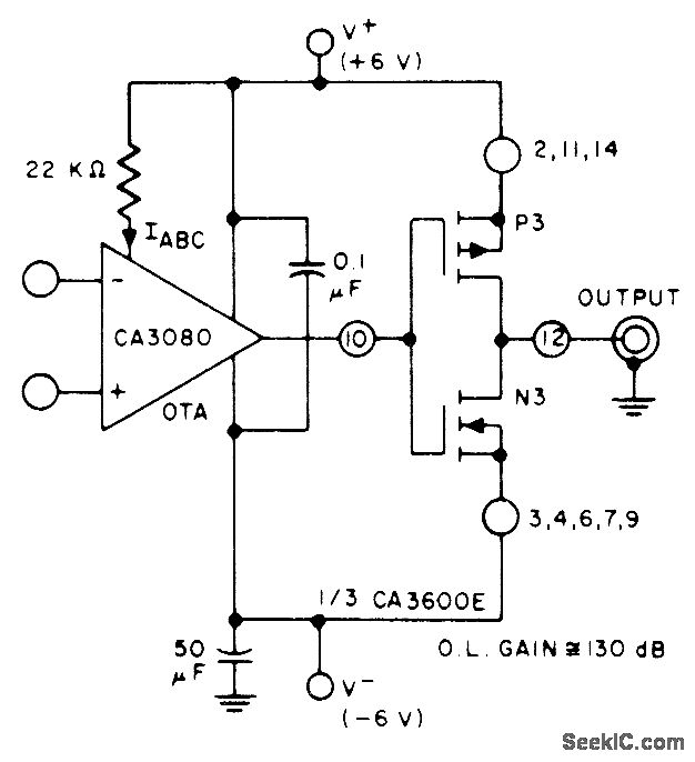
CMOS transistor pall fromCA3600E transistor array provides additional 30-dB gain above 100-dB gain of CA3080 opamp to give total of 130 dB. Current output is about10 mA. Remaining transistor pairs of array can be paralleled pail shown to give greater output. – Linear Integrated Circuits and MOS/FET's, RCA Solid State Division, Somerville, NJ, 1977, p 278-279.
Reprinted Url Of This Article:
http://www.seekic.com/circuit_diagram/Amplifier_Circuit/POSTAMPLIFIER.html
Print this Page | Comments | Reading(3)
Code: