Published:2009/6/29 22:31:00 Author:May | From:SeekIC

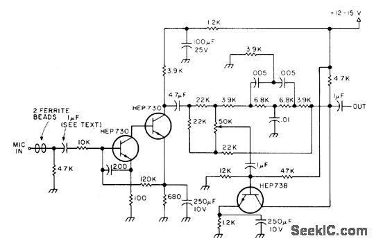
Single-transistor peaking filter is combined with low-noise RFprotected preamp stage to improve speech intelligibility for any type of modulation. Effectiveness is most noticeable with deep bass voice, where soft peak around 1500-2000 Hz improves speech intelligibility. Can also serve as audio-type CW or SSB filter-You Can Sound Better with Speech Pre-Emphasis, 73 Magazine, Feb. 1977, p 42-43.
Reprinted Url Of This Article:
http://www.seekic.com/circuit_diagram/Amplifier_Circuit/PREEMPHASIS_AT_1500_Hz.html
Print this Page | Comments | Reading(3)
Code: