Published:2009/7/14 22:31:00 Author:Jessie | From:SeekIC

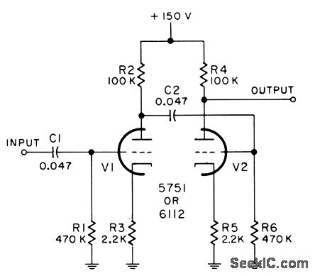
Amplifies 10 to 70-my signals to level needed to driveaudio power amplifier. For 5751, amplification is 335 , maximum output is 23 v rms,and 3-db response is 10 cps to 20 kc. For 6112, maximum output is 26 v rms,amplification is 370, and 3-db bandwidth is 10 cps to 30 kc.-NBS, Handbook Preferred Circuits Navy Aeronautical Electronic Equipment, Vol. I, Electron Tube Circuits, 1963, PC 60, p 60-2.
Reprinted Url Of This Article:
http://www.seekic.com/circuit_diagram/Amplifier_Circuit/PREFERRED_VOLTAGE_AMPLIFIER.html
Print this Page | Comments | Reading(3)
Code: