Published:2009/6/19 4:29:00 Author:May | From:SeekIC

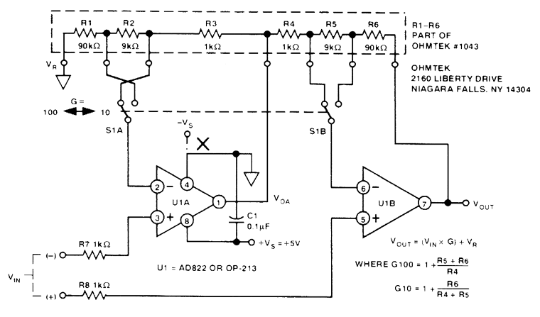
This is a two-op-amp programmable-gain instrumentation amplifier for single-supply applications. U1A and U1B are Analog Devices AD822 or OP-213 ICs.
Reprinted Url Of This Article:
http://www.seekic.com/circuit_diagram/Amplifier_Circuit/PROGRAMMABLE_GAIN_INSTRUMENTATION_AMPLIFIER.html
Print this Page | Comments | Reading(3)
Code: