Published:2009/7/14 3:43:00 Author:May | From:SeekIC


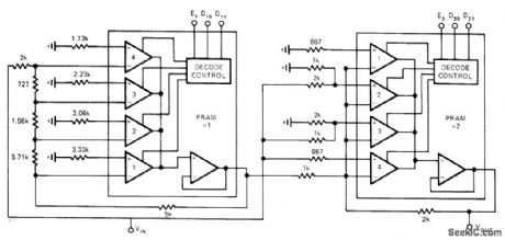
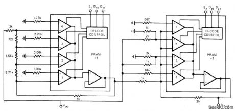
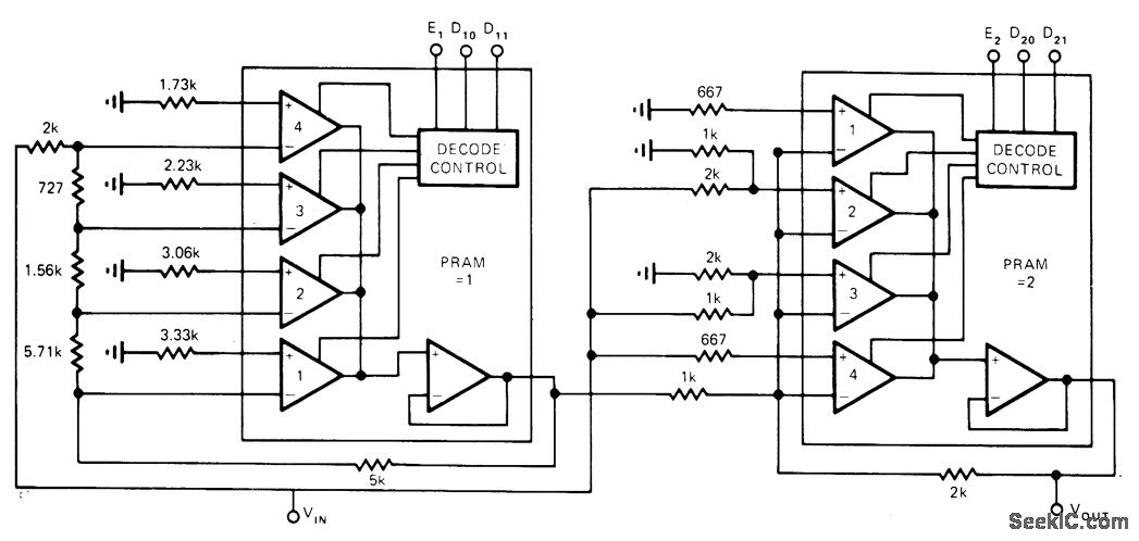
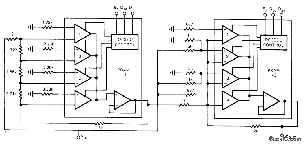
Cascading two HA-2400 digitally programmed amplifiers, each combining functions of analog switches and high-performance opamps on single IC chip, gives 16 different programmable gains in unit steps. Article gives truth table showing total gain obtained for 16 combinations of 0 and 1 on control lines D10, D11, D20, and D21. Enable lines are normally at 1, and E2 is made0 only when total gain must be zero. Applications include digital AGC and digital control of servo-systems and level detectors.-J. A. Connelly, N.C. Currie, and D. S. Bonnet, Op Amp Has 16-Step Digital Gain Control, EDN Magazine, May 5, 1974, p 75 and 77.
Reprinted Url Of This Article:
http://www.seekic.com/circuit_diagram/Amplifier_Circuit/PROGRAMMABLE_GAIN__OPAMP.html
Print this Page | Comments | Reading(3)
Code: