Published:2009/6/18 22:30:00 Author:May | From:SeekIC

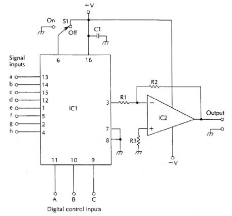
This amplifier has eight inputs selectable digitally.
IC1 CD4051 SP8T bilateral switch R1 10-kΩ 1/4-W 5% resistorIC2 Op amp to suit application R2 22-kΩ 1/4-W 5% resistorC1 0.1-μF capacitor R3 18-kΩ 1/4-W 5% resistorS1 SPST switch
Reprinted Url Of This Article:
http://www.seekic.com/circuit_diagram/Amplifier_Circuit/PROGRAMMABLE_INPUT_AMPLIFIER.html
Print this Page | Comments | Reading(3)
Code: