Published:2009/7/16 2:27:00 Author:Jessie | From:SeekIC

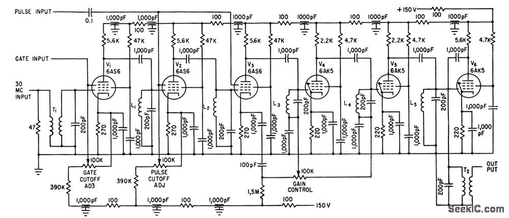
Control signals are fed to suppressor grids of early amplifier stages, to generate groups of i-f pulses for simulating radar scanning or for testing transient response of i-f circuits. Bandwidth is 1.2 Mc.-C. D. Rasmussen, Suppressor Gating for I-F Amplifiers, Electronics, 34:34, p 62.
Reprinted Url Of This Article:
http://www.seekic.com/circuit_diagram/Amplifier_Circuit/PULSED_GATED_30_MC_I_F_.html
Print this Page | Comments | Reading(3)
Code: