Published:2009/7/15 23:20:00 Author:Jessie | From:SeekIC

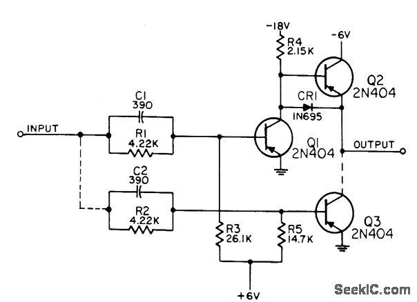
Operates as inverting power amplifier for either pulses or levels. Input levels are -6.2 v at 3.1 ma for logical 1 and -0.15 v for logical 0. Pulse polarity may be positive or negative 6 v. Third transistor is used for handling up to 40 flip-flop or gate loads. Two transistors will handle up to 12 such loads.-NBC, Hand-book Preferred Circuits Navy Aeronautical Electronic Equipment, Vol. II, Semiconductor Device Circuits, PSC 12 (originally PC 215), p 12-2.
Reprinted Url Of This Article:
http://www.seekic.com/circuit_diagram/Amplifier_Circuit/PULSE_POWER_AMPLIFIER.html
Print this Page | Comments | Reading(3)
Code: