Published:2009/7/22 1:13:00 Author:Jessie | From:SeekIC

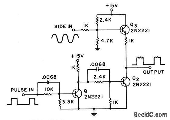
Provides amplitude modulation of pulse train with audio signal or other input, such as noise, over range of 0 to 200 kc with :input pulses over 1 microsec wide,80% modulalation is available up to 3 kc, decreasing to 30% at input of 200 kc,-J. F. McCormick,Jr, Pulse Amplitude Modulator, EEE. 13:7,p 44.
Reprinted Url Of This Article:
http://www.seekic.com/circuit_diagram/Amplifier_Circuit/PULSE_TRAIN_AMPLITUDE_MODULATOR.html
Print this Page | Comments | Reading(3)
Code: