Published:2009/7/21 7:45:00 Author:Jessie | From:SeekIC

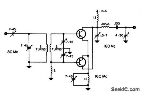
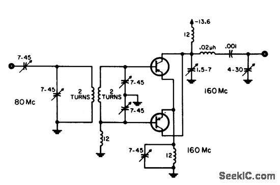
Input is conventional push-pull configuration providing out-of-phase signals for both transistors, but for output circuit both transistors operate in parallel into standard pi network. This cancels fundamental and odd-order harmonics, leaving only second harmonic predominating in output circuit. Transistors can be 2N1692.-W. A. Rheinfelder, Choosing the Best Transmitter Output Stage, EEE, 11:10, p 48-53.
Reprinted Url Of This Article:
http://www.seekic.com/circuit_diagram/Amplifier_Circuit/PUSH_PUSH_OUTPUT_DOUBLER.html
Print this Page | Comments | Reading(3)
Code: