Published:2014/4/3 20:41:00 Author:lynne | Keyword: Phonograph amplifier circuit diagram | From:SeekIC

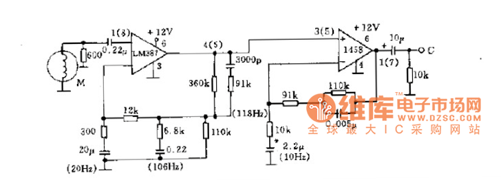
Phonograph amplifier circuit diagram shown as follow:
Reprinted Url Of This Article:
http://www.seekic.com/circuit_diagram/Amplifier_Circuit/Phonograph_amplifier_circuit_diagram.html
Print this Page | Comments | Reading(3)
Code: