Published:2011/3/28 21:11:00 Author:Rebekka | Keyword: Plasma gun, driver circuit | From:SeekIC

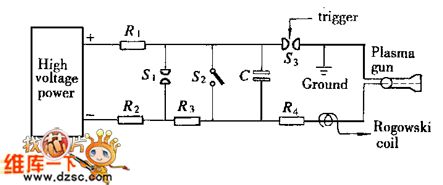
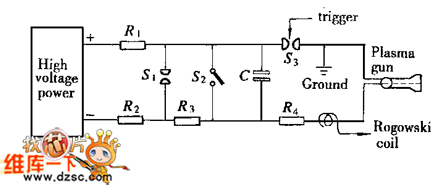
Plasma gun driver circuit diagram is shown as below.
Reprinted Url Of This Article:
http://www.seekic.com/circuit_diagram/Amplifier_Circuit/Plasma_gun_driver_circuit_diagram.html
Print this Page | Comments | Reading(3)
Code: