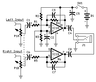
Published:2012/12/20 21:03:00 Author:muriel | Keyword: Portable , 9V , Headphone Amplifier | From:SeekIC

Reprinted Url Of This Article:
http://www.seekic.com/circuit_diagram/Amplifier_Circuit/Portable_9V_Headphone_Amplifier.html
Print this Page | Comments | Reading(3)
Code: