Published:2013/3/15 4:26:00 Author:Ecco | Keyword: Power Amplifier, 2x18W | From:SeekIC

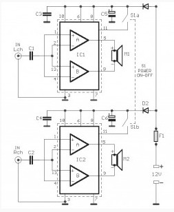
In many cars, cassette players use amplifiers that power does not exceed 5W with enough distortion to the limits of power. The problem is solved with the use of external amplifiers will have the opportunity to earn much more power with much less distortion. Given the voltage of the car is +12 V, we have the opportunity to take power over a threshold. The solution is to use two amplifiers in bridge connection, so the output quadrupled, at least theoretically, and at best, doubled.
A complete set will be much easier to implement the above, easily and with very few external components, is the TDA1516Q, which contains two amplifiers in a shell, with a profit of 20dB, with protection against overheating and short circuiting. In connection bridge as in the circuit, we can output 18W at 4 Ohm load, with 0.5% distortion and power over 20W by deformation close to 10%, power good for the car. The drive amplifiers can be accessed from the output of existing amplifiers. You may need to engage in a series potesometro, which will adjust the level to a level so as not to have distortion from overdriving. This circuit can be used for purposes other car, driving a small computer speakers. The amplifiers should be placed on a good heatsink.
Reprinted Url Of This Article:
http://www.seekic.com/circuit_diagram/Amplifier_Circuit/Power_Amplifier_2x18W_with_TDA1516Q.html
Print this Page | Comments | Reading(3)
Code: