Published:2009/7/24 23:40:00 Author:Jessie | From:SeekIC

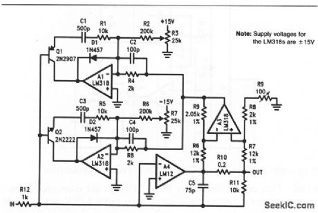
The positive and negative limiting currents of the LM12 (Fig. 10-46) can be set precisely and independently down to 0 with R3 and R7. Alternately, the limits can be set programmed from a voltage supplied to R2 and R6. The LM12 is connected as an inverting amplifier with the output sensed across R10. This sense-voltage level is shifted to ground by A3, a differential amplifier that is made insensitive to the LM12 output level by trimming R9.
Reprinted Url Of This Article:
http://www.seekic.com/circuit_diagram/Amplifier_Circuit/Power_op_amp_with_current_limiting.html
Print this Page | Comments | Reading(3)
Code: