Published:2014/4/23 20:10:00 Author:lynne | Keyword: Praevia integrated amplifier infrared reception circuit diagram | From:SeekIC

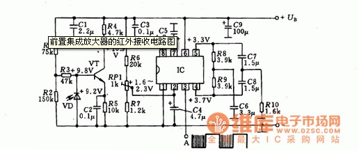
Praevia integrated amplifier infrared reception circuit diagram shown as follow:
Reprinted Url Of This Article:
http://www.seekic.com/circuit_diagram/Amplifier_Circuit/Praevia_integrated_amplifier_infrared_reception_circuit_diagram.html
Print this Page | Comments | Reading(3)
Code: