Published:2013/3/28 4:09:00 Author:Ecco | Keyword: Pre-Amplifier, Oscilloscope | From:SeekIC

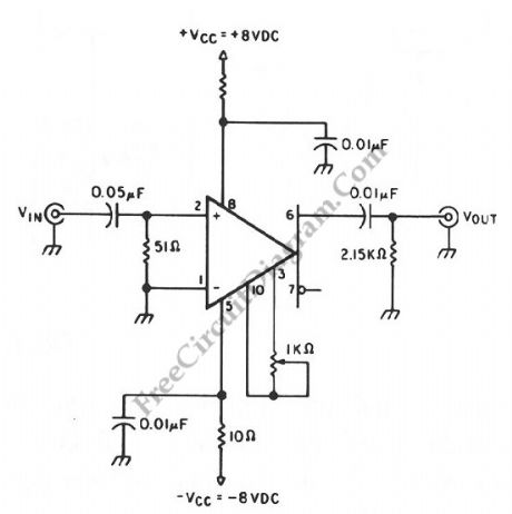
An oscilloscope amplifier with 20 dB voltage gain is provided by this circuit with a frequency range from 0.5 to 50 MHz. By increasing the value of the 0.05 uF capacitor or try removing the capacitor, we can extend the low frequency response of this circuit. A particularly small level of input noise is delivered by this circuit, measured at approximately 20uA over a bandwidth range at 15 MHz. By adjusting the gain potentiometer connected between pins 3 and 10, then adjust the 1-KΩ trimmer potentiometer for an exact voltage gain of 10 are the ways to calibrate the gain. This helps preserve the scale factor of the oscilloscope.
Reprinted Url Of This Article:
http://www.seekic.com/circuit_diagram/Amplifier_Circuit/Pre_Amplifier_Circuit_Diagram_for_Oscilloscope.html
Print this Page | Comments | Reading(3)
Code: