Published:2013/3/13 2:09:00 Author:Ecco | Keyword: Preamp , Speaker, Microphone | From:SeekIC


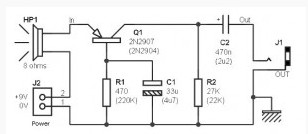
This Microphone Preamp circuit shows that it is possible to use the speaker as a microphone, and is specifically designed to beginners because of its simplicity. Power consumption, of about 2mA, allowing the circuit is operated a few hours on a single 9V battery. However, it does not prevent you to use a stable power supply, or solar cells …
Sources : This setting is described by J. England Smith, the magazine ETI in January 1979. It is also found in an old French electronic magazine, the same scheme but with different component values.
Reprinted Url Of This Article:
http://www.seekic.com/circuit_diagram/Amplifier_Circuit/Preamp_for_Speaker_as_a_Microphone.html
Print this Page | Comments | Reading(3)
Code: