Published:2013/1/25 0:55:00 Author:Ecco | Keyword: Precision instrument amplifier | From:SeekIC

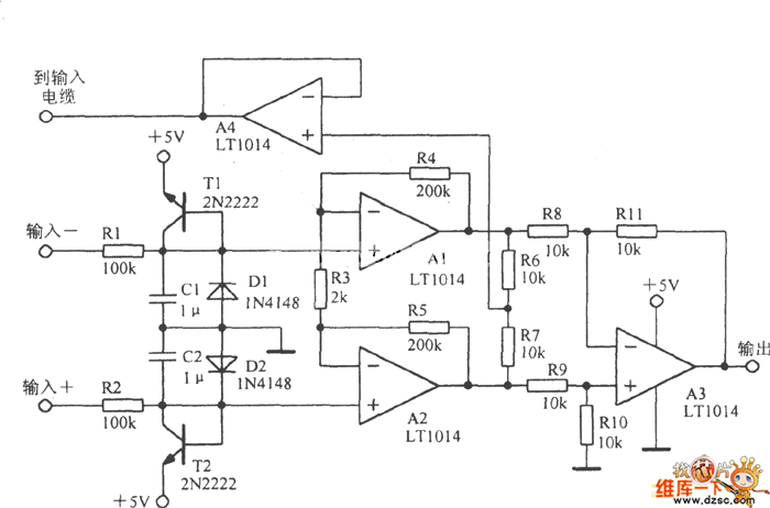
Precision instrument amplifier circuit diagram is shown as figure:
Reprinted Url Of This Article:
http://www.seekic.com/circuit_diagram/Amplifier_Circuit/Precision_instrument_amplifier_circuit_diagram.html
Print this Page | Comments | Reading(3)
Code: