Published:2009/7/14 5:33:00 Author:May | From:SeekIC

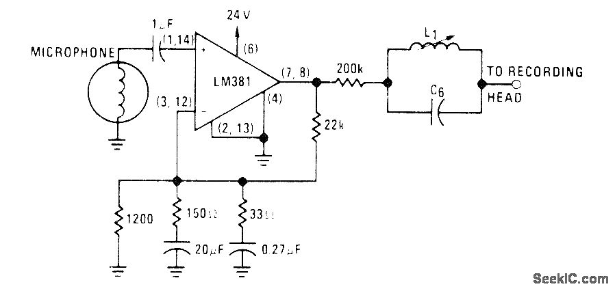
Designed for use with microphone having 10-mV peak output and recording head requiring 30-μA AC drive current. Output swing is 6 VRMS. High-frequency cutoff is 16 kHz, with circuit designed for slope of 6 dB per octave between 4 kHz and 16 kHz to compensate for falling frequency response of recording head starting at 4 kHz.- Audio Handbook, National Semiconductor, Santa Clara, CA, 1977, p 2-31-2-37.
Reprinted Url Of This Article:
http://www.seekic.com/circuit_diagram/Amplifier_Circuit/RECORDING_AMPLIFIER_1.html
Print this Page | Comments | Reading(3)
Code: