Published:2009/7/17 1:53:00 Author:Jessie | From:SeekIC

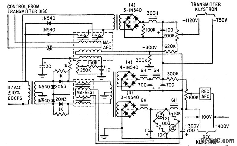
Consists of main regulation magnetic amplifier MA-REG for reflect or VA-222 power klystron in 6,000-Mc microwave link, and secondary magamp MA-AFC that provides further regulation for repeller voltage.-J. Markus, Handbook of Electronic Control Circuits, McGraw-Hill, N.Y., 1959, p 110.
Reprinted Url Of This Article:
http://www.seekic.com/circuit_diagram/Amplifier_Circuit/REFLEX_KLYSTRON_FREQUENCY_AND_VOLT_AGE_CONTROL.html
Print this Page | Comments | Reading(3)
Code: