Published:2009/6/19 1:46:00 Author:May | From:SeekIC

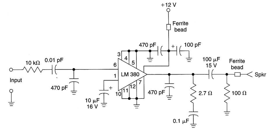
This 1-watt audio amplifier was used in an FM repeater and proved to be immune to strong RE signal pickup. It functioned well in very strong RE fields.
Reprinted Url Of This Article:
http://www.seekic.com/circuit_diagram/Amplifier_Circuit/RFI_PROOF_AUDIO_POWER_AMPLIFIER.html
Print this Page | Comments | Reading(3)
Code: