Published:2009/7/17 3:22:00 Author:Jessie | From:SeekIC

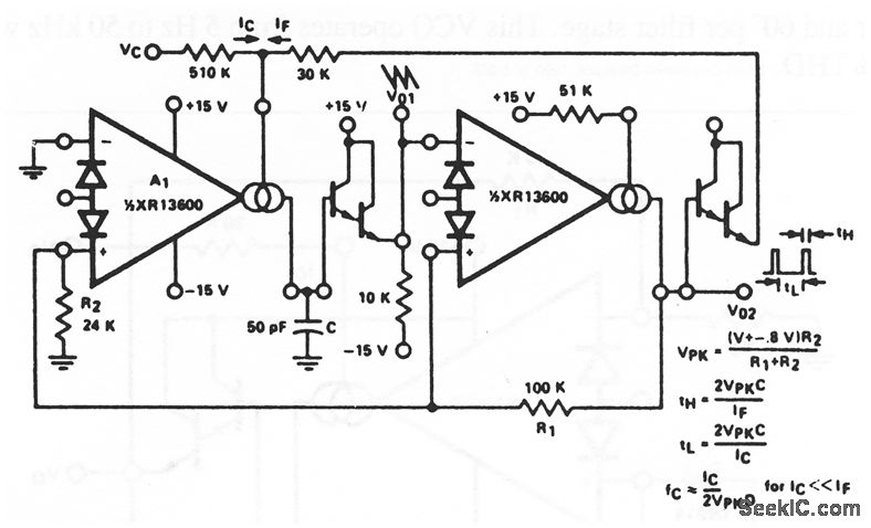
This circuit is similar to that of Fig. 11-13, except that the outputs are ramps and pulses. When V02 is high, IF is added to IC to increase the bias current of amplifier A1, and thus to increase the charging rate of capacitor C. When V02 is low, IF goes to zero and the capacitor discharge current is set by IC, EXAR Corporaton Databook 1990 p 5-255
Reprinted Url Of This Article:
http://www.seekic.com/circuit_diagram/Amplifier_Circuit/Ramp_pulse_VCO.html
Print this Page | Comments | Reading(3)
Code: