© 2008-2012 SeekIC.com Corp.All Rights Reserved.
Published:2013/3/29 4:43:00 Author:Ecco | Keyword: Remote Sensor System, Pre-Amp | From:SeekIC

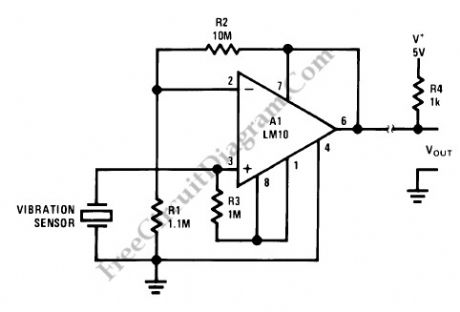
Remote sensor might cause a trouble if it’s a passive type, has very low power output, and should be connected with relatively long cables. By supplying a current or voltage source through its connection wire, it’s possible to make long enough wiring without suffering much noise/interference. The following schematic diagram show a circuit consist of LM10 to make a remote vibration sensor connection works fine. We don’t need a separate wires for signal and power supply, we send them on the same cable pair! Here is the schematic diagram of the circuit:
Reprinted Url Of This Article:
http://www.seekic.com/circuit_diagram/Amplifier_Circuit/Remote_Sensor_System_Pre_Amp_circuit.html
Print this Page | Comments | Reading(3)
Response in 12 hours
© 2008-2012 SeekIC.com Corp.All Rights Reserved.
Code: