Published:2011/6/7 21:56:00 Author:qqtang | Keyword: D/A converter, integrated circuit | From:SeekIC




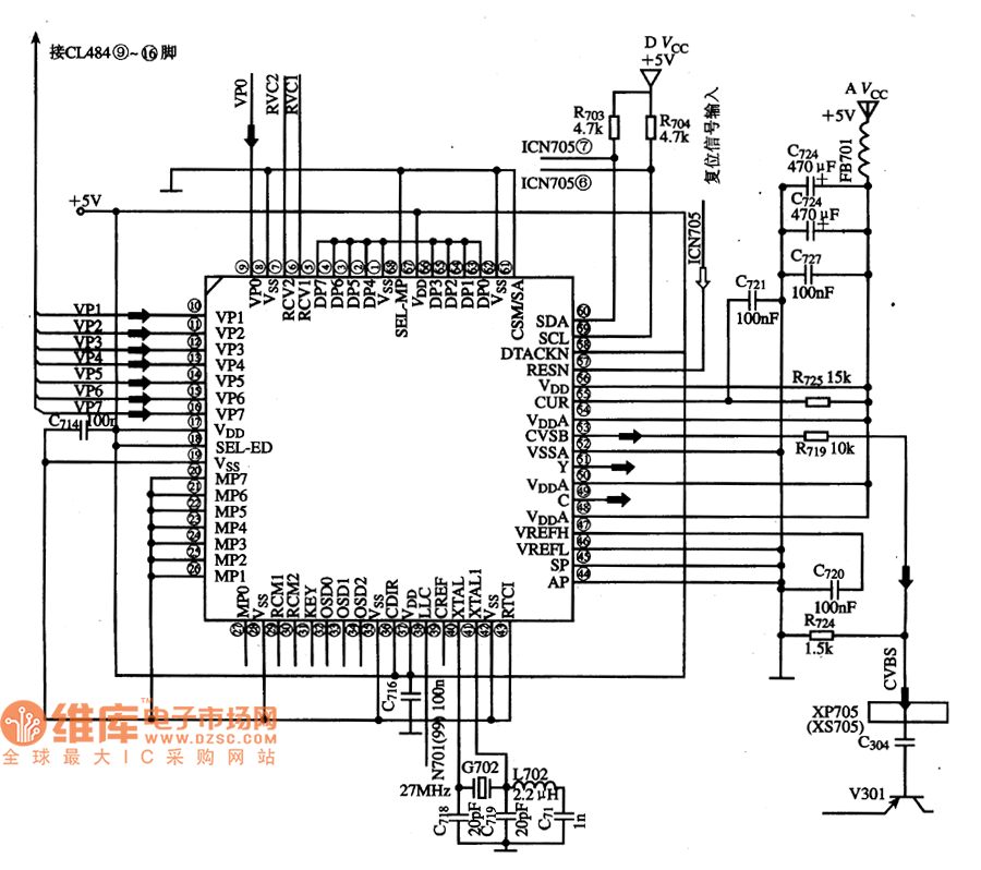
SAA7185 is a mass CMOS video encoding and D/A converter integrated circuit produced by Philips, which is widely used in all kinds of local and imported VCD players.1.function featuresSAA7185 is used to switch digit YUV signal back into analog TV signals by D/A converters according to PAL and NTSC mode. Its internal circuit is shown in the figure.The internal circuit of SAA7185
2.pin functions and dataSAA7185 is in 68-pin square package, whose pin functions and data are listed in the table.
Reprinted Url Of This Article:
http://www.seekic.com/circuit_diagram/Amplifier_Circuit/SAA7185__the_video_encoding_and_D_A_converter_integrated_circuit.html
Print this Page | Comments | Reading(3)
Code: