Published:2011/4/11 3:44:00 Author:Rebekka | Keyword: SCM Buck-boost signal | From:SeekIC

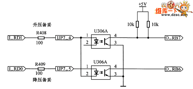
SCM Buck-boost signal circuit diagram is shown as below.
Reprinted Url Of This Article:
http://www.seekic.com/circuit_diagram/Amplifier_Circuit/SCM_Buck_boost_signal_circuit_diagram.html
Print this Page | Comments | Reading(3)
Code: