Published:2009/7/16 22:12:00 Author:Jessie | From:SeekIC

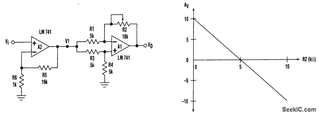
It is handy to have a gain block with a gain that can be varied smoothly from positive to negative with a single potentiometer. The circuit shown accomplishes this function with R2. Op amp A1 is configured with both inputs tied together. Op amp A2 functions as a buffer. WithR1=R3=R4=R=5KΩ,the gain of the differential amplifier is given by AV1=(V0/V1)=1/2(1-R2/R). With a buffer amplifier gain of 20, the overall gain of the amplifier is given by AV=(V0/V1)=10(1-R2/R). By using a 10-turn potentiometer, the gain can be varied from positive to negative.
Reprinted Url Of This Article:
http://www.seekic.com/circuit_diagram/Amplifier_Circuit/SINGLE_POT_SWINGS_AMPLIFIER_GAIN_POSITIVE_OR_NEGATIVE.html
Print this Page | Comments | Reading(3)
Code: