Published:2009/6/22 22:44:00 Author:May | From:SeekIC

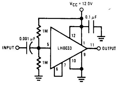
This buffer Right be used with a single sup-ply without special considerations. The input is dc biased to mid-operating point and is ac cou-pled. Its input impedance is approximately 500 kΩ at low frequencies. Note that for dc loads ref-erenced to ground, this quiescent current is in-creased by the load current set at the input dc bias voltage.
Reprinted Url Of This Article:
http://www.seekic.com/circuit_diagram/Amplifier_Circuit/SINGLE_SUPPLY_AC_BUFFER_AMPLIFIER.html
Print this Page | Comments | Reading(3)
Code: