Published:2009/6/22 23:34:00 Author:May | From:SeekIC



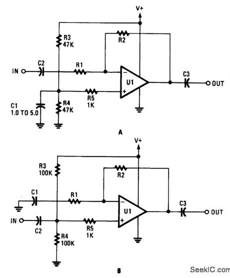
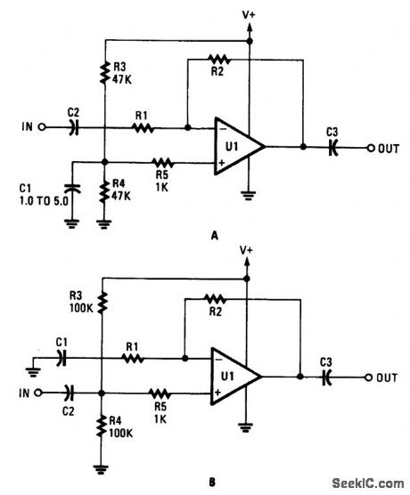
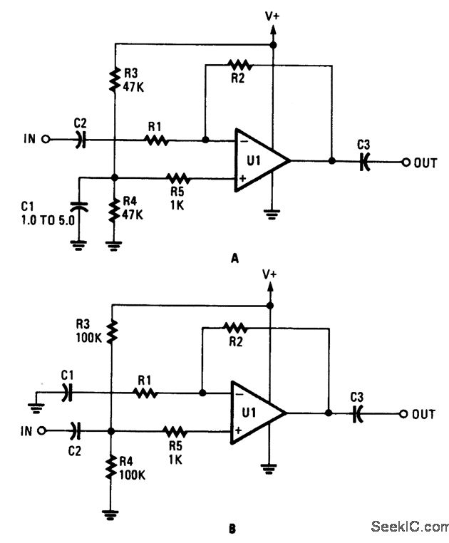
An op amp that normally needs two supplies can be used when only a single supply is needed. The value of V+ should be twice the minimum allowable values of the positive and negative voltages normally needed. For example, a 12-V single-supply application would require an op amp capable of ±6-V operation.
Reprinted Url Of This Article:
http://www.seekic.com/circuit_diagram/Amplifier_Circuit/SINGLE_SUPPLY_OP_AMP_APPLICATIONS.html
Print this Page | Comments | Reading(3)
Code: