Published:2009/7/6 6:51:00 Author:May | From:SeekIC

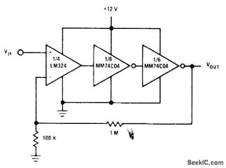
Use of two sections of MM74C04 as postamolifier for LM324 single-supply amplifier gives open-loop gain of about 160 dB Additional CMOS inverter sections can be paralleled for increased power to drive higher current loads; each MM74C04 section is rated for 5-mA load.- Linear Application, Vol. 2, National Semiconductor, Santa Clara, CA, 1976, AN-88, p 2.
Reprinted Url Of This Article:
http://www.seekic.com/circuit_diagram/Amplifier_Circuit/SINGLE_SUPPLY_POSTAMPLIFIER.html
Print this Page | Comments | Reading(3)
Code: