Published:2009/7/9 21:08:00 Author:May | From:SeekIC

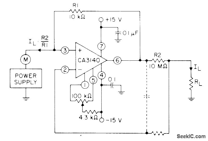
CA3140 bipolar MOS opamp serves as high-gain current amplifier. Input current through load is increased by ratio of R2 to R1, which is 1000 for values shown, for reading by meter M. Dashed lines show method of decoupling circuit from effects of high output-lead capacitance.- Circuit Ideas for RCA Linear ICs, RCA Solid State Division, Somerville, NJ, 1977, p 13.
Reprinted Url Of This Article:
http://www.seekic.com/circuit_diagram/Amplifier_Circuit/SMALL_CURRENT_AMPLIFIER.html
Print this Page | Comments | Reading(3)
Code: