Published:2009/7/2 4:19:00 Author:May | From:SeekIC

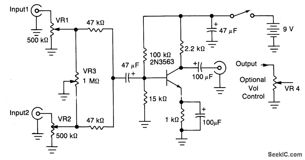
Both input signals can be independently controlled by VR1 and VR2. The balance control VR3 is used to fade out one signal while simultaneously fading in the other. The transistor provides gain and the combined output signal level is controlled by VR4 (optional).
Reprinted Url Of This Article:
http://www.seekic.com/circuit_diagram/Amplifier_Circuit/SOUND_MIXER_AMPLIFIER.html
Print this Page | Comments | Reading(3)
Code: