Published:2009/7/14 22:44:00 Author:Jessie | From:SeekIC

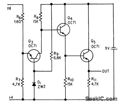
Provides low input and output impedances, along with stable gain for wide range of transistor parameters and thus for temperature and supply voltage variations, as required for sound level meter.-W. V. Richings and B. J.White, Transistorized Sound Level Meter, Electronics, 33:25, p 64-66.
Reprinted Url Of This Article:
http://www.seekic.com/circuit_diagram/Amplifier_Circuit/STABLE_AUDIO_AMPLIFIER.html
Print this Page | Comments | Reading(3)
Code: