Published:2009/6/29 1:24:00 Author:May | From:SeekIC

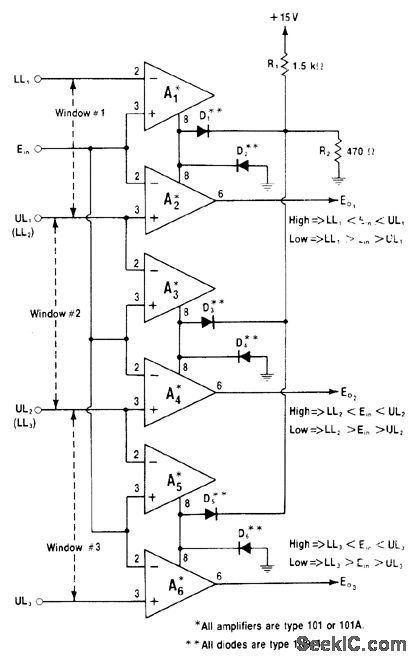
Cascading of 101-type window comparators for sequential operation indicates which of three windows input voltage is in. Input voltage is applied in parallel to all comparators. Output goes high only for comparator whose range includes voltage value of input. Lamp or other indicator can be added to each output line to give visual indication of voltage range.—W. G. Jung, IC Op-Amp Cookbook, Howard W. Sams, Indianapolis, IN, 1974, p 233-234.
Reprinted Url Of This Article:
http://www.seekic.com/circuit_diagram/Amplifier_Circuit/STAIRCASE_WINDOW_COMPARATOR.html
Print this Page | Comments | Reading(3)
Code: